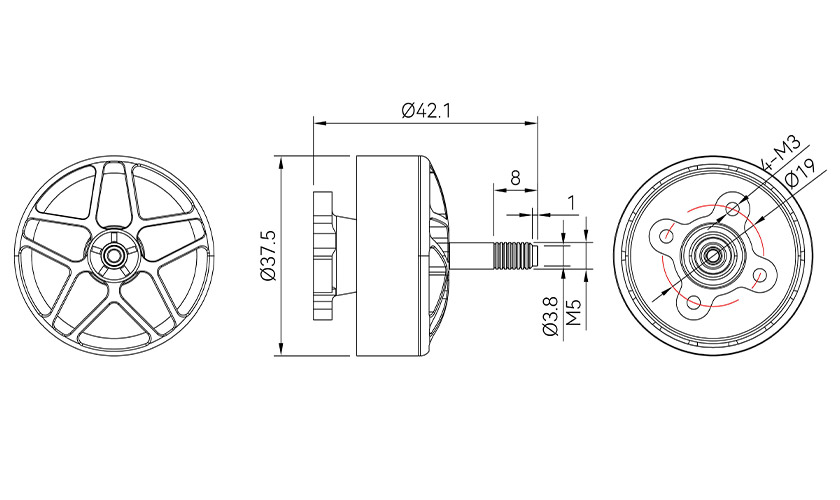
Technical Drawing





| Type | 3110 | Motor Dimension | φ37.5*42.1 |
| Magnet | Zinc-Plated Arc Magnets | Coil Insulation Test | 500V Withstand Voltage Test |
| Dynamic Balance Requirements Standards | ≤5mg | Configuration | 12N14P |
| Shaft Diameter | 5mm | Lead | 18AWG*250mm |
| Screw Diameter | Φ19-M3-4 | Prop Adapter Shaft Thread | M5 |
| Technical Specifications | |||
| Recommended Voltage | KV1580 | Idle Current (10V) | 2.05A |
| Max Power | 878W | Internal Resistance | 35.8mΩ |
| Rated Voltage (LiPo) | 6S | Peak Current | 78.09A |
| Max Thrust | 2.97kg | Weight (Incl. Cable) | 79.4g |
| Recommended Set/Motor/Propeller/ESC | |||
| Motor | 3110 KV1580 | Drone Frame Type | 7.5寸-inch X4 Frame |
| Propeller | C7.5*4.6*3 | Recommended Battery | 22.2v |
| ESC | V70A se | Recommended Takeoff Weight | 2.5kg |
| Flight Controller | F7 se | Recommended Takeoff Weight | 4kg |
| Test Data: | Takeoff Weight: 1.7 kg (NO Test Payload), Battery: 6S 10,000 mAh, Cruise Speed: 180 km/h, Flight Time: 4 min / 10 km Takeoff Weight: 2.2 kg (0.5 kg Test Payload), Battery: 6S 10,000 mAh, Cruise Speed: 160 km/h, Flight Time: 3 min / 8 km | ||
| Type | Propeller | Voltage (V) | Throttle (%) | Current (A) | RPM | Thrust (g) | Power (W) | Efficiency (g/W) | Torque (N.m) | Operating Temperature (℃) |
| 3110 KV1580 | C7.5*4.6*3 | 22.23 | 10% | 0.38 | 2961 | 56 | 3 | 20.38 | 0.01 | 55℃ |
| 22.19 | 20% | 1.83 | 5728 | 257 | 24 | 10.51 | 0.04 | |||
| 22.11 | 30% | 5.05 | 8260 | 562 | 75 | 7.45 | 0.09 | |||
| 21.93 | 40% | 10.57 | 10573 | 942 | 159 | 5.91 | 0.14 | |||
| 21.75 | 50% | 17.46 | 12515 | 1331 | 266 | 5.01 | 0.20 | |||
| 21.49 | 60% | 27.20 | 14136 | 1710 | 386 | 4.43 | 0.26 | |||
| 21.21 | 70% | 38.00 | 15637 | 2107 | 526 | 4.00 | 0.32 | |||
| 20.89 | 80% | 49.89 | 16797 | 2448 | 658 | 3.72 | 0.37 | |||
| 20.48 | 90% | 64.09 | 17768 | 2747 | 782 | 3.51 | 0.42 | |||
| 20.09 | 100% | 78.09 | 18470 | 2975 | 878 | 3.39 | 0.45 |
Copyright © 2003-2023 T-motor, All rights reserved.